多流束無磁流量傳感器DS97TAR(R)-(15~50)E/S
一、 概述
DS97TAR多流束無磁熱量表流量計是本公司適應國內熱量表市場需求開發的新型熱量表流量計。用于測量及顯示水流經熱交換系統所釋放或吸收熱量的儀表。其性能穩定可靠、計量精度高、使用壽命長,其耐壓強度、測量誤差、壓力損失等指標完全符合行業標準CJ128《熱量表》的規定,它已被國內多家熱量表生產企業使用,正成為越來越多的熱量表研發、生產單位的優選配套產品。
二、 原理和材質
DS97TAR多流束無磁熱量表流量計的結構如圖,其工作原理是:熱水進入流量計,經進水導向孔沖擊計量腔內的葉輪旋轉,再經出水導向孔流出流量計。葉輪上面嵌有不銹鋼膜片,隨葉輪旋轉,在隔板上端接近不銹鋼膜片處可裝電感類傳感器,接受葉輪旋轉的周期信號。
DS97TAR多流束無磁熱量表流量計的殼體采用優質黃銅,經鑄造、數控機床和組合機床加工,機械強度好、尺寸精度穩定一致,塑料零件選用進口的高強度耐熱工程塑料,軸承部件采用硬質合金軸和人造寶石元件,密封件采用優質耐熱材料。因此,該流量計完全能夠適應國內供熱系統的惡劣工作環境。
三、 結構特點
DS97TAR多流束無磁熱量表流量計具有如下特點:
1、 發訊元件采用非磁性材料的膜片,擯棄了硬磁材料,避免了磁性元件吸附管道內雜物而影響精度的問題和易受外磁場干擾的問題。
2、 壓力損失小
3、 結構簡單、精確度高
4、 采用優質耐蝕材料,使用壽命長。
注:應客戶需要,本公司可配套提供低功耗的無磁流量傳感器模塊。
四、 技術特性
水表型號、外形尺寸及性能參數
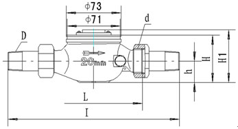
a) 外形尺寸
圖一

圖二

圖三
產品型號
|
I
|
L
|
H
|
h
|
連接螺紋(inch)
|
外形圖
|
mm
|
D
|
d
|
|
DS97TAR(R)-15E/S
|
210
|
130
|
70
|
28.2
|
G3/4B
|
R1/2
|
圖一
|
DS97TAR(R)-20E/S
|
230
|
130
|
70
|
28.2
|
G1B
|
R3/4
|
圖一
|
DS97TAR(R)-25E/S
|
250
|
130
|
70
|
28.2
|
G1-1/4B
|
R1
|
圖一
|
DS97TAR(R)-32E/S(QN=3.5)
|
250
|
130
|
70
|
28.2
|
G1-1/2B
|
R1-1/4
|
圖一
|
DS97TAR(R)-32E/S
|
280
|
160
|
92
|
43
|
G1-1/2B
|
R1-1/4
|
圖二
|
DS97TAR(R)- 40E/S(鐵殼)
|
340
|
200
|
126
|
58
|
G2B
|
R1-1/2
|
圖二
|
|
產品型號
|
長
|
法蘭外徑
|
螺栓孔中心直徑
|
單邊螺栓數與孔直徑
|
|
DS97TAR(R)-50E/S法蘭
|
280
|
φ165
|
φ125
|
4-φ18
|
圖三
|
b) 性能參數
公稱口徑
(mm)
|
過載流量(m3/h)
|
公稱流量(m3/h)
|
分界流量(l/h)
|
最小流量(l/h)
|
傳動比(n/l)
|
DS97TAR(R)-15E/S
|
3
|
1.5
|
150
|
30
|
24
|
DS97TAR(R)-20E/S
|
5
|
2.5
|
250
|
50
|
24
|
DS97TAR(R)-25E/S
|
7
|
3.5
|
350
|
70
|
18
|
DS97TAR(R)-32E/S(QN=3.5)
|
7
|
3.5
|
350
|
70
|
18
|
DS97TAR(R)-32E/S
|
12
|
6
|
600
|
120
|
12.4
|
DS97TAR(R)- 40E/S(鐵殼)
|
20
|
10
|
1000
|
200
|
4.07
|
DS97TAR(R)-50E/S法蘭
|
30
|
15
|
1500
|
300
|
4.33
|
注:傳動比(n/l)為每升水葉輪轉的圈數。
2. 流量測量誤差
a.從包括最小流量(qmin) 至不包括分界流量(0.1qp)的低區為±5%
b.從包括分界流量(0.1qp)至包括過載流量(qs)的高區為±3%
3. 工作壓力與溫度
P≤1.6Mpa T=4~95℃
五 、安裝與使用
1、 選擇熱量表應以管道流量等于或小于水表常用流量為依據,不能單純以管道口徑確定熱量表口徑;
2、 流量計必須水平安裝,保持殼體上箭頭方向與水流方向相同;
3、 新裝管道務必將管道內的石子、泥沙、麻絲等雜物沖洗干凈再裝流量計,以免造成流量計故障;
4、 流量計不應直接與管道連接,流量計與管道之間應有管接頭、連接螺母、接管墊圈等附件。拆裝流量計時,切不可用力硬扳,以免損壞流量計;
5、 流量計長期使用,管道內的雜質、鐵銹等物會堵塞濾網或進入表內,造成誤差增加或影響正常運轉,因此每隔一段時間應由專業人員清洗一次。
六、附件
根據客戶需要,每只流量計可配套提供管接頭、連接螺母、接管密封墊圈各兩只。