多流束旋翼液封式冷水表LXSY-(15~50)E
LXSY是一種用于測量冷水流量的多流束水表,能測量任何水質包括極其硬質的、含垢的或含有懸浮顆粒的水質,這是因為字輪被密封在特殊的液體中,并配有壓力補償裝置,這樣密封的字輪不會接觸到流經水表的水,使得讀數永遠清晰易讀。
☆ 內部濾網,擁有充分的過濾面積。
☆ 機芯由耐磨、防水、防磁、防垢的塑料材料制造。
☆ 機械傳動,不受外來磁場或水中鐵屑影響。
☆ 兼有濕式水表和干式水表的優點而且克服了這兩種水表自身結構上的缺陷。
工作條件:
☆ 水壓:不大于1.0MPa(10bar)
☆ 水溫:0.1℃~50℃
示值誤差:
從分界流量(包括分界流量)到過載流量為±2%;
從最小流量到分界流量(不包括分界流量)為±5%.
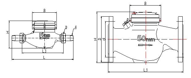
參數尺寸 SPECIFICATION AND OVERALL DIMENSIONS

外形尺寸 OVERALL DIMENSIONS

壓力損失曲線 Pressure loss curve 示值誤差限與流量曲線FLOW-ERROR CURVE