
APPLICATION:MEASURING THE TOTAL VOLUME OF COLD POTABLE WATER PASSING THROUGH THE METER
SPECIALITY:
* ADVANTAGE OF BURGLARPROOF
* THE SPECIAL STRUCTURE OF THE BURGLARPROOF CAP AND THE BURGLARPROOF TIGHTING RING
* HIGH ACCURACY AND LARGE MEASURING RANGE
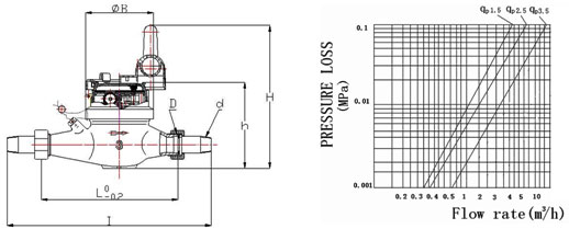
* NEGLIGIBLE HEAD LOSS AT WORKING FLOW-RATE
* MAGNET DRIVE WITH ANTI-MAGNETIC
* HIGH-QUALITY MATERIAL WITH LONG LIFE OF SERVICE
* RELIABLE IN DATA COLLECTING , HERMETICALLY SEALED REGISTER
* REMOTE READING SYSTEM, RELIABLE IN DATA COLLECTING.
* ELECTRIC UNIT WITH DOUBLE REED SWITCHE SIGNALS SENSOR SIGNAL STABILITY AND ANTI-MAGNETIC.
WORKING CONDITION:
* THE MAX. ADMISSIBLE WATER PRESSURE: 1.6MPA
* WATER TEMPERATURE: WATER TEMP. UP TO 50℃
Maximum permissible error:
Between qt (included) and qs is ±2%;
Between qmin and qt (excluded) is ±5%.
NOTE: The technical data conform to ISO4064 standard, class B.
FLOW-ERROR CURVE
 SPECIFICATION AND OVERAL DIMENSIONS
Description |
Unit |
Hydraulic data and dimensions |
Nominal size |
mm |
DN15 |
DN20 |
DN25 |
inch |
1/2 |
3/4 |
1 |
Overload flow-rate (qs) |
m3/h |
3 |
5 |
7 |
Permanent flow-rate (qp) |
m3/h |
1.5 |
2.5 |
3.5 |
Transitional flow-rate (qt) |
l/h |
120 |
200 |
280 |
Minimum flow-rate (qmin) |
l/h |
30 |
50 |
70 |
Min. reading |
l |
0.05 |
0.05 |
0.05 |
Max. reading |
m3 |
99999.9999 |
99999.9999 |
99999.9999 |
Max. working pressure |
MPa |
1.6 |
1.6 |
1.6 |
ΔPmax at qs |
MPa |
≤0.1 |
≤0.1 |
≤0.1 |
L |
mm |
165 |
190 |
190 |
260 |
G |
inch |
G 3/4B |
G1B |
G1 1/4B |
I |
mm |
245 |
270 |
290 |
380 |
B |
mm |
81 |
81 |
94 |
h |
mm |
103 |
104 |
119 |
H |
mm |
171 |
172 |
189 |
Weight |
Without connections |
Kg |
0.986 |
1.15 |
1.7 |
with connections |
Kg |
1.017 |
1.181 |
1.731 | OVERALL DIMENSIONS PRESSURE LOSS CURVE
 |