
APPLICATION: MEASURING THE TOTAL VOLUME OF COLD POTABLE WATER PASSING THROUGH THE METER,IT'S SUITABLE FOR DOMESTIC USE.
OPERATING CONDITION:
* THE MAX.ADMISSIBLE WATER PRESSURE: 1.6MPa.
* WATER TEMP.: UP TO 50℃
SPECIALITY:
* LARGE MEASURING RANGE, HIGH FLOW ACCURACY.
* STEADY ERROR CURVE.
* LONG LIFE OF SERVICE
* RELIABLE OPERATION.
* MAGNETIC SHIELD PROTECTION.
* NEGLIGIBLE HEAD LOSS AT WORKING FLOW – RATES.
* SEALED & VACCUMIZED REGISTER WITHOUT ANY CONDENSATION PROBLEM.
Maximum permissible error:
Between qt (included) and qs is ±2%;
Between qmin and qt (excluded) is ±5%.
NOTE: The technical data conform to ISO4064 standard, class B.
FLOW-ERROR CURVE

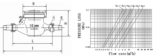
SPECIFICATION AND OVERALL DIMENSIONS
Description |
Unit |
Hydraulic data and dimensions |
Nominal size |
mm |
15 |
20 |
25 |
32 |
40 |
50 |
inch |
1/2 |
3/4 |
1 |
11/4 |
11/2 |
2 |
Overload flow-rate (qs) |
m3/h |
3 |
5 |
7 |
12 |
20 |
30 |
Permanent flow-rate (qp) |
m3/h |
1.5 |
2.5 |
3.5 |
6 |
10 |
15 |
Transitional flow-rate (qt) |
l/h |
120 |
200 |
280 |
480 |
800 |
3000 |
Minimum flow-rate (qmin) |
l/h |
30 |
50 |
70 |
120 |
200 |
450 |
Min. reading |
l |
0.05 |
0.05 |
0.05 |
0.05 |
0.05 |
0.05 |
Max. reading |
m3 |
99999 |
99999 |
999999 |
999999 |
999999 |
999999 |
Nominal pressure |
MPa |
1.6 |
1.6 |
1.6 |
1.6 |
1.6 |
1.6 |
ΔP at the qs |
MPa |
0.06 |
0.08 |
0.05 |
0.09 |
0.085 |
0.085 |
L |
mm |
165 |
195 |
225 |
230 |
245 |
300 |
I |
mm |
259 |
299 |
345 |
354 |
373 |
430 |
H |
mm |
112 |
114 |
120 |
125 |
155 |
155 |
B |
mm |
99 |
99 |
104 |
104 |
125 |
125 |
G |
inch |
G3/4B |
G1B |
G11/4B |
G11/2B |
G2B |
G21/2B |
R |
inch |
R1/2 |
R3/4 |
R1 |
R11/4 |
R11/2 |
R2 | OVERALL DIMENSIONS PRESSURE LOSS CURVE
 |