
Model CD74TBR-E/C is an inferential type, single stream vane wheel, wet dial water meter, and it’s suitable for domestic use. Brass body and adopt all antiseptic material, no leak.
WORKING CONDITION:
*The max. admissible water pressure:1.6MPa(16bar)
*Water temp. : not more than 50℃ (cold water meter),
Maximum permissible error:
Between qt (included) and qs is ±2%;
Between qmin and qt (excluded) is ±5%.
NOTE: The technical data conform to ISO4064 standard, class C.
FLOW-ERROR CURVE
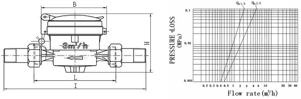
SPECIFICATION AND OVERAL DIMENSIONS
Description |
Unit |
Hydraulic data and dimensions |
Nominal size |
mm |
15 |
20 |
inch |
1/2 |
3/4 |
Overload flow-rate (qs) |
m3/h |
3 |
5 |
Permanent flow-rate (qp) |
m3/h |
1.5 |
2.5 |
Transitional flow-rate (qt) |
m3/h |
0.0225 |
0.0375 |
Minimum flow-rate (qmin) |
m3/h |
0.015 |
0.025 |
Max. reading |
m3 |
99999.9999 |
99999.9999 |
Min. reading |
m3 |
0.00005 |
0.00005 |
Max. working pressure |
MPa |
1.6 |
1.6 |
ΔP at the qs |
MPa |
≤0.1 |
≤0.1 |
L |
mm |
110 |
130 |
I |
mm |
190 |
230 |
H |
mm |
89 |
89 |
B |
mm |
88 |
88 |
OVERALL DIMENSIONS PRESSURE LOSS CURVE |