
APPLICATION: MEASURING THE TOTAL VOLUME OF COLD POTABLE WATER PASSING THROUGH THE METER (ALSO SUITABLE FOR PURE WATER).
OPERATING CONDITION:
*THE MAX.ADMISSIBLE WATER PRESSURE 1.6MPa
*RESISTING WATER TERPERATURE OF 50℃
SPECIALITY:
* LOW START-UP FLOW-RATE
* INSTALLATION IN ANY POSITION (SUCH AS LEVEL, VERTICAL)
* POSITIVE ROTATING PISTON TYPE, WITH RELIABLE PERFORMANCE
* HIGH ACCURACY
* BRASS BODY
* ON REQUEST,THIS SERIES CAN BE EQUIPPED WITH THE PULSE DEVICE
Maximum permissible error:
Between qt (included) and qs is ±2%;
Between qmin and qt (excluded) is ±5%.
NOTE: The technical data conform to ISO4064 standard, class C.
FLOW-ERROR CURVE
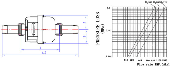
 SPECIFICATION AND OVERAL DIMENSIONS
Description |
Unit |
Hydraulic data and dimensions |
Nominal size |
mm(inch) |
DN15( 1/2″) |
DN20( 3/4″) |
DN25 ( 1″) |
Overload flow-rate (qs) |
IMP.GAL/h |
660 |
1100 |
1540 |
Permanent flow-rate (qp) |
IMP.GAL/h |
330 |
550 |
770 |
Transitional flow-rate (qt) |
IMP.GAL/h |
4.95 |
8.25 |
11.55 |
Minimum flow-rate (qmin) |
IMP.GAL/h |
3.3 |
5.5 |
7.7 |
Min. reading |
IMP.Gallons |
0.1 |
0.1 |
0.1 |
Max. reading |
IMP.Gallons |
99999999 |
99999999 |
99999999 |
Nominal pressure |
MPa |
1.6 |
1.6 |
1.6 |
ΔP at the qs |
MPa |
≤0.1 |
≤0.1 |
≤0.1 |
L |
mm |
195 |
267 |
319 |
I |
mm |
115 |
165 |
199 |
B |
mm |
43 |
43 |
53 |
Weight |
With connections |
Kg |
1.14 |
1.56 |
2.48 |
Without connections |
Kg |
0.97 |
1.30 |
2.05 |
OVERALL DIMENSIONS PRESSURE LOSS CURVE
 |